Green Fuel Oil Processor,Fuel saving,Emission reduction
Green Fuel Oil Processor,Fuel saving,Emission reduction
   
 
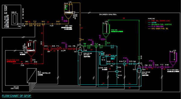
首頁 > 產品介紹 > GFOP > 流程圖
 
             
   
 
 
 

Green Fuel Oil Processor,Fuel saving,Emission reduction

Green Fuel Oil Processor,Fuel saving,Emission reduction
地址:桃園市春日路985之3號4樓
電話:886-3-325-9393 傳真:886-3-325-9543 電子信箱:Taiwan.wolmo@gmail.com synchro.space@msa.hinet.net
copyright c 2007 TAIWAN WOLMO INC. All Rights Reserved. Design By focus-design